Обратный
звонок
Время работы:
пн - пт: 09:00 — 20:00 |
сб - вс: 09:00 — 18:00
0
Сравнение
0
КАТАЛОГ ТОВАРОВ

Автоматические насосные станции

0 Сумма:

Вертикальный многоступенчатый насос WILO Medana CV1-L.206-1/E/E/10O

  • Артикул: 4240467
  • Модель: Medana CV1-L.206-1/E/E/10O
  • Производитель: Wilo
  • Наличие: Под заказ
184 045

Тип

Высокоэффективный высоконапорный центробежный насос вертикального исполнения с линейными подсоединениями.

Применение

  • Водоснабжение и повышение давления
  • Промышленные циркуляционные установки
  • Технологическая вода
  • Закрытые контуры охлаждения
  • Установки пожаротушения
  • Моечные установки
  • Ирригация
  • Использование дождевой воды

Оснащение/функция

  • Насос в инлайн-исполнении со сквозным валом электродвигателя/насоса
  • Гидравлика и корпус насоса из нержавеющей стали 1.4301 (AISI 304)
  • Овальное фланцевое соединение
  • Двигатель переменного тока или трехфазный электродвигатель
  • Однофазный электродвигатель, оснащенный конденсатором со встроенной защитой электродвигателя от перегрева (в том числе автоматическая функция повторного включения)

Расшифровка наименования

Пример:

Wilo-Medana CV1-L.602-1/E/A/10O

Medana

Серия продукции

CV

Commercial Vertical

1

Уровень серии (1 = для входа в рынок, 3 = стандарт, 5 = премиум)

L

Длинный вал (со сквозным валом электродвигателя/насоса)

6

Номинальная подача [м3/ч] одинарного насоса

2

Количество ступеней одинарного насоса

1

1 = AISI 304

 

2 = AISI 316L

E

Тип уплотнения E = EPDM, V = FKM

A

A = частота 50 Гц/однофазный/230 В

 

B = частота 60 Гц/однофазный/220 В

 

C = частота 60 Гц/однофазный/230 В

 

D = частота 50 Гц/однофазный/400 В

 

E = частота 50 Гц/трехфазный/230 – 400 В

 

F = частота 60 Гц/трехфазный/220 – 380 В

 

G = частота 60 Гц/трехфазный/265 – 460 В

 

I = частота 60 Гц/трехфазный/460 В

10

Номинальное давление (бар)

O

О = подсоединения овальными фланцами

 

F = подсоединения фланцами круглой формы DIN

 

P = подсоединения Victaulic

Технические характеристики

  • Подключение к сети 1~230 В (±10 %), 50 Гц, со встроенной защитой электродвигателя от перегрева
  • Подключение к сети до 4 кВт 3~230 В (±10 %), 50 Гц (Δ), 400 В (±10 %), 50 Гц (Y)
  • Подключение к сети до 4 кВт 3~265 В (±10 %), 60 Гц (Δ), 460 В (±10 %), 60 Гц (Y)
  • Подключение к сети до 4 кВт 3~220 В (±10 %), 60 Гц (Δ), 380 В (±10 %), 60 Гц (Y)
  • Подключение к сети до 5,5 кВт 3~400 В (±10 %), 50 Гц (Δ), 690 В (±10 %), 50 Гц (Y)
  • Подключение к сети до 5,5 кВт 3~ 460 В (±10 %), 60 Гц (Y)
  • Подключение к сети до 5,5 кВт 3~380 В (±10 %), 60 Гц (Δ), 660 В (±10 %), 60 Гц (Y)
  • Опционально доступна защита электродвигателя для электродвигателей 3~. Эта опция требуется для применения с внешним частотным преобразователем.
  • Класс защиты IP55
  • Температура перекачиваемой жидкости от –20 до +120 °C
  • Температура окружающей среды: от –15 °C до +50 °C (другие диапазоны температур по запросу)
  • Макс. рабочее давление 10 бар или макс. 16 бар, в зависимости от типа
  • Макс. входное давление 6 бар или макс. 10 бар, в зависимости от типа
  • Номинальный диаметр подсоединений к трубопроводам G1", G1¼", G1½" или G2", в зависимости от типа
  • Фланец круглой формы DIN или соединение Victaulic доступны по запросу
  • Допуск для питьевой воды для насосов с компонентами, находящимися в контакте с перекачиваемой средой, из нержавеющей стали (исполнение EPDM)

Материалы

  • Рабочие колеса из нержавеющей стали 1.4301 (AISI 304)
  • Секции, нержавеющая сталь 1.4301 (AISI 304)
  • Вал из нержавеющей стали 1.4301 (AISI 304)
  • Корпус насоса из нержавеющей стали 1.4301 (AISI 304)
  • Рабочие колеса насоса, секционные камеры, вал и корпус насоса из нержавеющей стали 1.4404 (AISI 316L) по запросу. Корпус насоса из стали 1.4404 (AISI 316L) доступен только с фланцем круглой формы DIN
  • Фундаментная рама насоса EN-GJL-250 (с катафорезным покрытием)
  • Уплотнение EPDM (опционально FKM)
  • Торцевое уплотнение, графит В/карборунд
  • опора из карбида вольфрама/оксида алюминия

Тип

Многоступенчатый нормальновсасывающий вертикальный высоконапорный центробежный насос в инлайн-исполнении.

Состояние поставки

  • Многоступенчатый вертикальный насос Wilo-Medana CV1-L
  • Овальные ответные фланцы из нержавеющей стали Rp 1 – Rp 2" с соответствующими винтами, гайками и уплотнениями
  • Инструкция по монтажу и эксплуатации

  • Данные об изделии
  • Артикульный номер
    • 4240467
  • Доступность на рынке
    • 2021-04-01
  • Изделие
    • Wilo
  • Минимальный объем заказа
    • 1
  • Номер EAN
    • 4062679046785
  • Обозначение изделия
    • Medana CV1-L.206-1/E/E/10O
  • Цвет
    • зеленый/черный/серебряный
  • Упаковка
  • Вид упаковки
    • Одноразовый поддон
  • Количество на один слой
    • 1
  • Количество на палету
    • 1
  • Свойства упаковки
    • Транспортная упаковка
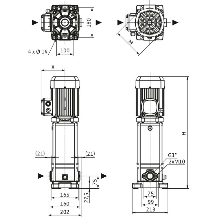
  • Размеры и масса
  • Высота H
    • 508 мм
  • Высота с упаковкой
    • 400 мм
  • Длина L
    • 202 мм
  • Длина с упаковкой
    • 800 мм
  • Масса брутто прибл. m
    • 20,1 кг
  • Масса нетто прибл. m
    • 18 кг
  • Ширина W
    • 213 мм
  • Ширина с упаковкой
    • 400 мм
  • Гидравлические характеристики
  • Давление на входе
    • 6 бар
  • Индекс минимальной эффективности (MEI)
    • 0.7
  • Макс. T перекачиваемой жидкости Tmax
    • 120 °C
  • Макс. температура окружающей среды Tmax
    • 50 °C
  • Максимальное рабочее давление PN
    • 10 бар
  • Напорный патрубок
    • G 1
  • Т перекачиваемой жидкости Tmin
    • -20 °C
  • Температура окружающей среды мин. Tmin
    • -15 °C
  • Данные электродвигателя
  • Допуск на колебание напряжения
    • ±10 %
  • Класс защиты электродвигателя
    • IP55
  • Класс нагревостойкости изоляции
    • F
  • КПД электродвигателя ηm 100 % ηM 100%
    • 80,7 Процент
  • КПД электродвигателя ηm 50 % ηM 50%
    • 75,6 Процент
  • КПД электродвигателя ηm 75 % ηM 75%
    • 79,6 Процент
  • Номинальная мощность электродвигателя P2
    • 0,75 кВт
  • Номинальная частота вращения n
    • 2900 об/мин
  • Номинальный ток IN
    • 1,9 А
  • Подключение к сети
    • 3~400 V, 50 Hz
  • Потребляемая мощность P1 max
    • 1040 Вт
  • Тип включения
    • Прямой пуск от сети (DOL)
  • Установочные размеры
  • Патрубок на всас. стороне DNs
    • G 1
  • Патрубок на напорн. стороне DNd
    • G 1
  • Эксплуатационные параметры
  • Перекачиваемая жидкость
    • Water
  • Материалы
  • Вал
    • Нержавеющая сталь
  • Материал уплотнения
    • EPDM
  • Торцевое уплотнение
    • BQ1E3GG
  • Корпус насоса
    • Нержавеющая сталь
  • Рабочее колесо
    • Нержавеющая сталь

Будь в курсе последних предложений

Подпишись и получай информацию об акциях и скидках

Узнайте о ценах для партнеров

Специальные цены для наших партнеров и оптовиков