Обратный
звонок
Время работы:
пн - пт: 09:00 — 20:00 |
сб - вс: 09:00 — 18:00
0
Сравнение
0
КАТАЛОГ ТОВАРОВ

Автоматические насосные станции

Горизонтальные центробежные насосы

Вертикальные центробежные насосы

Установки повышения давления и пожаротушения

0 Сумма:

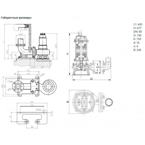
Погружной канализационный насос с режущим механизмом WILO Native NSPG CF80/400-5.5

  • Артикул: 3601265
  • Модель: NSPG CF80/400-5.5
  • Производитель: Wilo
  • Гарантия: 2 года
  • Наличие: Есть в наличии
RUB
173 857
от 8 513 /мес
Купить в кредит
выгодно
?

Обращаем Ваше внимание, что скидки и купоны не распространяются на товары оплаченные в рассрочку.

Купить в рассрочку
Запросить счет

 

Погружной насос с режущим механизмом для откачивания сточной и грязной воды из канализационных насосных станций, шахт, котлованов и резервуаров. Насос для вертикальной мобильной или стационарной установки.

Применение:

Водоотведение из бытовой канализации и канализации земельных участков, отвода сточных вод, в очистных сооружениях, промышленных и технологических системах.

Ваши преимущества

Прочное исполнение конструкции для надежной установки

Режущий механизм на входе в насос для перекачивания сложных по составу жидкостей

Встроенная донная опора для простого монтажа

Универсальность монтажа: возможность стационарной установки при помощи устройства погружного монтажа или на донной опоре с непосредственным подсоединением трубопровода к фланцевому напорному патрубку, а также возможность мобильной установки с подсоединением шланга к специальному переходнику

Специальная пробка на напорном патрубке для отвода воздуха из гидравлической части

Обеспечение герметичности за счет промежуточной масляной камеры и двух независимых торцевых уплотнений

Удобство обслуживания за счет резьбовой пробки масляной камеры, расположенной снаружи на корпусе

Защита обмоток от перегрева в случае блокировки рабочего колеса или нерасчетных условий эксплуатации

 

  • Данные двигателя
  • Допуск на колебание напряжения, %
    • +/- 10%
  • Количество пусков в час
    • 60
  • Номинальная мощность, кВт
    • 5.5
  • Номинальный ток, А
    • 11.1
  • Защита электродвигателя
    • Биметалл
  • Класс защиты
    • IP 68
  • Класс изоляции
    • F
  • Коэффициент мощности cos φ
    • 0.88
  • КПД электродвигателя ηm 100 % ηM 100%
    • 87
  • Номинальная частота вращения n, об/мин
    • 2850
  • Подключение к сети, В/Гц
    • 3~400 В / 50 Гц
  • Данные продукта
  • Макс. рабочее давление, бар
    • 10
  • Минимальная температура перекачиваемой жидкости, °С
    • 3
  • Максимальная температура перекачиваемой жидкости, °С
    • 40
  • Габариты и вес
  • Вес, кг
    • 75
  • Материалы
  • Гидравлический корпус
    • Чугун EN-GJL-200
  • Вал электродвигателя
    • Нерж.сталь AISI 304
  • Корпус электродвигателя
    • Чугун EN-GJL-200
  • Рабочее колесо
    • Нерж.сталь AISI 420

Будь в курсе последних предложений

Подпишись и получай информацию об акциях и скидках

Узнайте о ценах для партнеров

Специальные цены для наших партнеров и оптовиков