Обратный
звонок
Время работы:
пн - пт: 09:00 — 20:00 |
сб - вс: 09:00 — 18:00
0
Сравнение
0
КАТАЛОГ ТОВАРОВ

Автоматические насосные станции

0 Сумма:

Циркуляционный насос Wilo Stratos GIGA B 32/1-19/1,2

  • Артикул: 2189105
  • Модель: Stratos GIGA B 32/1-19/1,2
  • Производитель: Wilo
  • Наличие: Под заказ
794 544

Высокоэффективный блочный насос с электронно-коммутируемым двигателем класса энергоэффективности IE5 согласно IEC 60034-30-2 и электронной регулировкой мощности с сухим ротором. Насос выполнен в качестве одноступенчатого низконапорного центробежного насоса с фланцевым соединением и скользящим торцевым уплотнением. Насос Stratos GIGA B предназначен для перекачивания воды систем отопления (согласно VDI 2035), холодной воды и водогликолевых смесей без абразивных веществ в системах отопления, кондиционирования и охлаждения.

 

Тип:

  • Одноступенчатый низконапорный насос с неразъемным валом блочной конструкции, включая опору на корпусе насоса
  • Размеры фланцев и корпуса согласно EN 733
  • фланцы PN 16 с перфорацией согласно EN 1092-2;
  • Штуцеры для замера давления (R 1/8) для смонтированных дифференциальных датчиков давления (исполнение ...-R1 без датчика)
  • Серийные корпус насоса и фланец электродвигателя с катафорезным покрытием
  • скользящее торцевое уплотнение для перекачивания воды до Tмакс. = +140 °C. До T≤ +40 °C допускается примесь гликоля от 20 до 40 % объемной доли. Для водогликолевых смесей с долями гликоля >40 % до макс. 50 % объемной доли и при температуре перекачиваемой жидкости от > + 40 °C до макс. +120 °C или для других перекачиваемых жидкостей, отличных от воды, требуется предусмотреть наличие альтернативного скользящего торцевого уплотнения.
  • Подсоединяемое напряжение 3~480 В ±10 %, 50/60 Гц, 3~440 В ±10 %, 50/60 Гц, 3~400 В ±10 %, 50/60 Гц, 3~380 В -5 % +10 %, 50/60 Гц

 

Принадлежности:

  • консоли для крепления к фундаменту;
  • Комплекты дифференциальных датчиков давления 0 – 10 В для насосов в исполнении …-R1
  • IR-монитор;
  • IR-модуль;
  • IF-модуль PLR
  • IF-модуль LON
  • IF-модуль Modbus;
  • IF-модуль BACnet;
  • IF-модуль CAN.

 

Серийное оснащение:

  • Панель управления с технологией зеленой кнопки для:
    • Включение/выключение насоса
    • выбор способа регулирования: Δp-c (постоянный перепад давления), Δp-v (переменный перепад давления), ПИД-регулятор, n-постоянный (ручной режим управления);
    • Установка заданного значения или числа оборотов
    • конфигурация рабочих параметров;
    • Квитирование ошибок
  • Экран насоса для индикации следующих параметров:
    • Способ регулирования
    • заданное значение (напр., перепад давления или частота вращения);
    • сообщения об ошибках и предупреждения;
    • текущие значения (напр., потребляемая мощность, текущее значение датчика);
    • эксплуатационные данные (напр., количество часов работы, расход энергии);
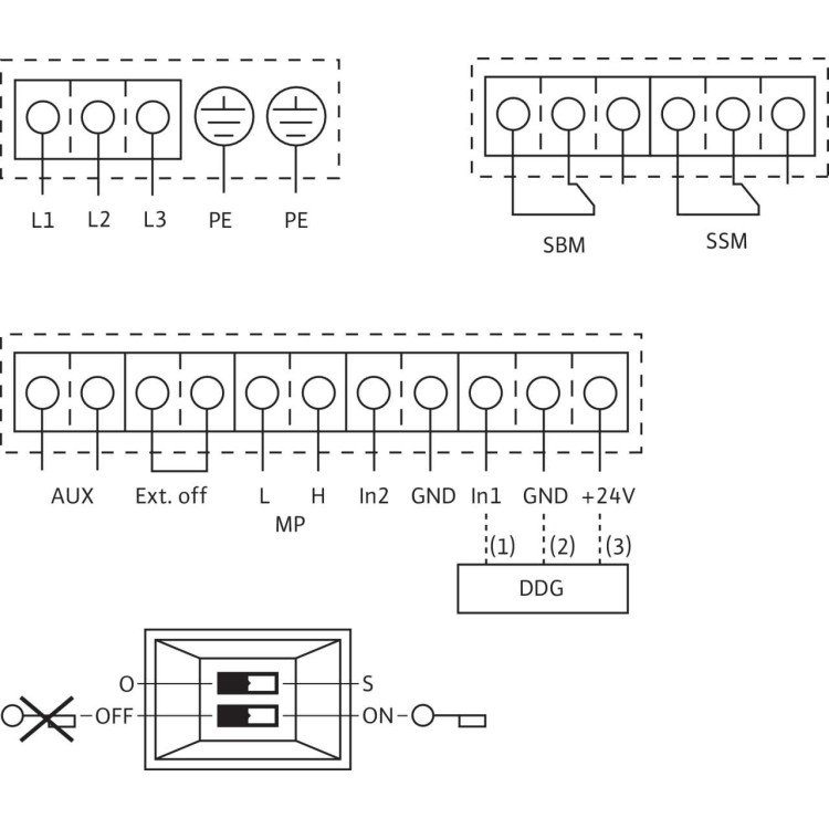
    • данные о состоянии (например, состояние реле SSM и SBM);
    • данные об устройстве (напр., название насоса);
    • режим работы (только при применении с разветвленными трубопроводами: основной/резервный режим работы, параллельный режим работы).

 

Дополнительные функции:

  • аналоговые интерфейсы 0-10 В, 2-10 В, 0-20 мА, 4-20 мА, встроенная система управления сдвоенными насосами для использования в разветвленном трубопроводе, два настраиваемых реле оповещения для сообщений об эксплуатации или неисправностях, настраиваемый порядок действий при аварии в системах отопления и кондиционирования, блокировка доступа к насосу, встроенная полная защита электродвигателя (термодатчик) с электронной системой отключения, серийные отверстия для отвода конденсата в корпусе электродвигателя (при поставке закрыты), инфракрасный интерфейс для беспроводной связи с управляющим и сервисным устройством – IR-монитором Wilo и IR-модулем Wilo, разъем для IF-модуля Wilo Modbus, BACnet, CAN, PLR, LON для связи с автоматизированной системой управления зданием.

Ваши преимущества

  • Инновационный высокоэффективный насос для наивысшего общего КПД с основными размерами согласно EN 733
  • Высокоэффективный электронно-коммутируемый двигатель с классом энергоэффективности IE5 согласно IEC 60034-30-2
  • Высокоэффективная, оптимально подходящая к технологии электронно-коммутируемых двигателей гидравлическая часть с оптимизированным КПД
  • Диапазон регулирования в три раза больше, чем у обычных электронно-регулируемых насосов
  • Опциональные интерфейсы для обмена данными по шине посредством штекерных IF-модулей

Максимальная мощность при высочайшей энергоэффективности.

Wilo-Stratos GIGA B — идеальный высокоэффективный насос для использования в системах отопления, кондиционирования и охлаждения в зданиях, где важно перемещать большие объемы воды с большим напором.

Тип

Высокоэффективный моноблочный насос с электронно-коммутируемым двигателем и электронной регулировкой частоты вращения с сухим ротором. Исполнение в качестве одноступенчатого низконапорного центробежного насоса с фланцевым подсоединением и торцевым уплотнением.

Применение

Перекачивание воды систем отопления (согласно VDI 2035), холодной воды и водогликолевой смеси без абразивных веществ в системах отопления, кондиционирования и охлаждения.

Оснащение/функция

Режимы работы

  • Δp-c для постоянного перепада давления
  • Δp-v для переменного перепада давления
  • PID-Control
  • Ручной режим управления (n — постоянный)

 

Панель управления

  • Зеленая кнопка и дисплей

 

Ручное управление

  • Настройка значения напора
  • Настройка частоты вращения (ручное переключение)
  • Настройка режимов работы
  • Настройка ВКЛ./ВЫКЛ. насоса
  • Конфигурация все рабочих параметров
  • Квитирование ошибок

 

Внешнее управление

  • Управляющий вход «Выкл. по приоритету»
  • Управляющий вход «Внешняя смена насосов» (действует только в режиме работы сдвоенных насосов)
  • Аналоговый вход 0 – 10 В, 0 – 20 мА для ручного режима управления (DDC) и дистанционного изменения заданного значения
  • Аналоговый вход 2 – 10 В, 4 – 20 мА для ручного режима управления (DDC) и дистанционного изменения заданного значения
  • Аналоговый вход 0-10 В для сигнала фактического значения датчика давления
  • Аналоговый вход 2-10 В, 0-20 мА, 4-20 мА для сигнала фактического значения датчика давления

 

Сигнализация и индикация

  • Обобщенная сигнализация неисправности SSM
  • Обобщенная сигнализация рабочего состояния SBM

 

Обмен данными

  • Инфракрасный интерфейс для беспроводного обмена данными с IR-монитором/IR-модулем
  • Гнездо для Wilo IF-модулей (Modbus, BACnet, CAN, PLR, LON) для подсоединения к автоматизированной системе управления зданием

 

Функции защиты

  • Полная защита электродвигателя со встроенной электронной системой отключения
  • Блокировка доступа

 

Система управления сдвоенными насосами (2 одинарных насоса; применение только с разветвленными трубопроводами)

  • Режим работы «основной/резервный» (автоматическое переключение при неисправности)
  • Основной/резервный режим работы, смена насосов через 24 часа
  • Режим параллельной работы двух насосов

Комплект поставки

  • Насос
  • Инструкция по монтажу и эксплуатации

Расшифровка наименования

Пример

Wilo-Stratos GIGA B 40/1-51/4,5

Stratos GIGA

Высокоэффективный насос

B

Блочная конструкция

40

Номинальный диаметр DN фланцевого подсоединения (для Stratos GIGA B: напорная сторона) [мм]

1-51

1 = минимальный устанавливаемый напор [м] 51 = максимальный устанавливаемый напор [м]

4,5

Номинальная мощность электродвигателя P2 в [кВт]

-xx

Вариант: например, R1 – исполнение без дифференциального датчика давления

Технические характеристики

  • Диапазон температур перекачиваемой жидкости: от -20 °C до +140 °C
  • Электроподключение к сети 3~480 В ±10 %, 50/60 Гц, 3~440 В ±10 %, 50/60 Гц, 3~400 В ±10 %, 50/60 Гц, 3~380 В -5 % +10 %, 50/60 Гц
  • Класс защиты IP55
  • Макс. рабочее давление 16 бар до +120 °C, 13 бар до +140 °C

Материалы

  • Корпус насоса и фонарь: EN-GJL-250
  • Рабочее колесо: PPS-GF40
  • Вал: 1.4122
  • Торцевое уплотнение: AQEGG; другие торцевые уплотнения по запросу
  • Информация о размещении заказа
  • Артикульный номер
    • 2189105
  • Изделие
    • Wilo
  • Масса нетто прибл. кг
    • 38 kg
  • Обозначение изделия
    • Stratos GIGA B 32/1-19/1,2
  • Данные для заказа
  • Вид упаковки
    • Коробка
  • Высота без упаковки. мм
    • 360 mm
  • Изделие
    • Wilo
  • Количество на один слой
    • 1
  • Количество на палету
    • 1
  • Масса брутто прибл. кг
    • 45.0 kg
  • Масса нетто прибл. кг
    • 38 kg
  • Обозначение изделия
    • Stratos GIGA B 32/1-19/1,2
  • Общая длина, мм
    • 540.0 mm
  • Свойства упаковки
    • Транспортная упаковка
  • Цвет
    • зеленый/серебряный
  • Ширина без упаковки. мм
    • 276.0 mm
  • Допустимые жидкости (другие жидкости по запросу)
  • Вода систем отопления (согласно VDI 2035)
    • да
  • Водогликолевые смеси (при 20 – 40 об. % гликоля и температуре перекачиваемой жидкости ≤ 40 °C)
    • да
  • Масляный теплоноситель
    • Специальное исполнение за дополнительную плату
  • Охлаждающая/холодная вода
    • да
  • Данные электродвигателя
  • Защита электродвигателя
    • интегрировано
  • Кабельный ввод
    • 1 x M12x1.5
  • Класс защиты мотора
    • IP55
  • Класс нагревостойкости изоляции
    • F
  • Класс эффективности электродвигателя
    • IE5
  • Номинальная мощность Р2, Вт
    • 1200.0 W
  • Номинальная мощность электродвигателя, кВт
    • 1.20 kW
  • Номинальная частота вращения n, об/мин
    • 4620 rpm
  • Номинальный ток, А
    • 2.30 A
  • Подключение к сети, В/Гц
    • 3~400 V, 50/60 Hz
  • Помехозащищенность
    • EN 61800-3
  • Создаваемые помехи
    • EN 61800-3
  • Частота вращения макс. nmax
    • 4620 rpm
  • Эксплуатационные параметры
  • Индекс минимальной эффективности (MEI)
    • 0.7
  • Макс. температура перекачиваемой жидкости, °C
    • 140 °C
  • Максимальное рабочее давление PN, бар
    • 16 bar
  • Мин. температура перекачиваемой жидкости, °C
    • -20 °C
  • Перекачиваемая жидкость
    • Water
  • Гидравлические характеристики
  • Индекс минимальной эффективности (MEI)
    • 0.7
  • Максимальное рабочее давление p
    • 16 bar
  • Установочные размеры
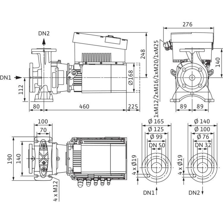
  • Присоединение к трубопроводу на стороне всасывания RPS
    • DN 50
  • Присоединение к трубопроводу с напорной стороны RPD
    • DN 32
  • Материалы
  • Вал
    • 1.4542, X5CrNiCuNb16-4
  • Уплотнение вала
    • AQ1EGG
  • Рабочее колесо
    • PPS-GF40
  • Допустимая область применения
  • Макс. температура окружающей среды, °C
    • 40 °C
  • Мин. температура окружающей среды, °C
    • 0 °C
  • Варианты монтажа
  • Монтаж на консолях
  • Монтаж на трубопроводе (при мощности мотора до ≤ 15 кВт)
  • Данные для заказа
  • Номер EAN
    • 4048482778310

Будь в курсе последних предложений

Подпишись и получай информацию об акциях и скидках

Узнайте о ценах для партнеров

Специальные цены для наших партнеров и оптовиков