Обратный
звонок
Время работы:
пн - пт: 09:00 — 20:00 |
сб - вс: 09:00 — 18:00
0
Сравнение
0
КАТАЛОГ ТОВАРОВ

Автоматические насосные станции

0 Сумма:

Циркуляционный насос Wilo Stratos GIGA 65/3-49/15-R1

  • Артикул: 2191963
  • Модель: Stratos GIGA 65/3-49/15-R1
  • Производитель: Wilo
  • Наличие: Под заказ
1 898 459

Высокоэффективный линейный насос с электронно-коммутируемым двигателем класса энергоэффективности IE5 согласно IEC 60034-30-2 и электронной регулировкой мощности с сухим ротором. Насос выполнен в качестве одноступенчатого низконапорного центробежного насоса с фланцевым соединением и скользящим торцевым уплотнением. Устройство Stratos GIGA предназначено для перекачивания воды систем отопления (согласно VDI 2035), холодной воды и водогликолевой смеси без абразивных веществ в системах отопления, кондиционирования и охлаждения.

 

Конструкция:

  • одноступенчатый низконапорный центробежный насос с неразъемным валом блочной конструкции;
  • спиральный корпус линейного типа (всасывающий и напорный патрубок с одинаковыми фланцами в одной линии);
  • фланцы PN 16 с перфорацией согласно EN 1092-2;
  • Штуцеры для замера давления (R 1/8) для смонтированных дифференциальных датчиков давления (исполнение ...-R1 без датчика)
  • Серийные корпус насоса и фланец электродвигателя с катафорезным покрытием
  • Торцевое уплотнение для подачи воды при Tmax. = +140 °C. До T ≤ +40 °C допускается примесь гликоля от 20 % до 40 % объемной доли. Для смесей воды/гликоля с долями гликоля > 40 % до макс. 50 % объемной доли и при температуре перекачиваемой жидкости от > +40 °C до макс. +120 °C или для других перекачиваемых жидкостей, отличных от воды, требуется предусмотреть наличие альтернативного скользящего торцевого уплотнения.
  • Подключаемое напряжение: 3~480 В ±10% 50/60 Гц; 3~440 В ±10% 50/60 Гц; 3~400 В ±10% 50/60 Гц; 3~380 В -5 % +10 %, 50/60 Гц

 

Принадлежности:

  • консоли для крепления к фундаменту;
  • Комплекты дифференциальных датчиков давления 0-10 В для насосов в исполнении ...–R1
  • IR-монитор;
  • IR-модуль;
  • IF-модуль PLR
  • IF-модуль LON
  • IF-модуль Modbus
  • IF-модуль BACnet;
  • IF-модуль CAN

 

Серийное оснащение:

  • Панель управления с технологией зеленой кнопки для:
    • Насос Вкл./Выкл.
    • выбор способа регулирования: Δp-c (постоянный перепад давления), Δp-v (переменный перепад давления), ПИД-регулятор, n-постоянный (ручной режим управления);
    • Установка заданного значения или числа оборотов
    • конфигурация рабочих параметров;
    • Квитирование ошибок
  • Экран насоса для индикации следующих параметров:
    • Способ регулирования
    • заданное значение (напр., перепад давления или частота вращения);
    • сообщения об ошибках и предупреждения;
    • текущие значения (напр., потребляемая мощность, текущее значение датчика);
    • эксплуатационные данные (напр., количество часов работы, расход энергии);
    • данные о состоянии (например, состояние реле SSM и SBM);
    • данные об устройстве (напр., название насоса);
    • Режим работы (только при совместной работе двух насосов: основной/резервный режим работы, параллельный режим работы)
    • состояние корректировки значения давления

 

Дополнительные функции:

  • аналоговые интерфейсы 0-10 В, 2-10 В, 0-20 мА, 4-20 мА, встроенная система управления сдвоенными насосами, два настраиваемых реле оповещения для сообщений об эксплуатации или неисправностях, настраиваемый порядок действий при аварии в системах отопления и кондиционирования, блокировка доступа к насосу, встроенная полная защита электродвигателя (термодатчик) с электронной системой отключения, серийные отверстия для отвода конденсата в корпусе электродвигателя (при поставке закрыты), инфракрасный интерфейс для беспроводной связи с управляющим и сервисным устройством – IR-монитором Wilo и IR-модулем Wilo, разъем для IF-модуля Wilo Modbus, BACnet, CAN, PLR, LON для связи с автоматизированной системой управления зданием.

Ваши преимущества

  • Инновационный высокоэффективный насос для наивысшего общего КПД
  • Высокоэффективный электронно-коммутируемый двигатель с классом энергоэффективности IE5 согласно IEC 60034-30-2
  • Опциональные интерфейсы для подсоединения к автоматизированной системе управления зданием посредством штекерных IF-модулей

Максимальная мощность при высочайшей энергоэффективности.

Wilo-Stratos GIGA — идеальный высокоэффективный насос для использования в системах отопления, кондиционирования и охлаждения в зданиях, где важно перемещать большие объемы воды с большим напором.

Тип

Высокоэффективный Inline с электронно-коммутируемым двигателем и электронной регулировкой частоты вращения с сухим ротором. Исполнение в качестве одноступенчатого низконапорного центробежного насоса с фланцевым подсоединением и скользящим торцовым уплотнением.

Применение

Перекачивание воды систем отопления (согласно VDI 2035), холодной воды и водогликолевой смеси без абразивных веществ в системах отопления, кондиционирования и охлаждения.

Оснащение/функция

Режимы работы

  • Δp-c для постоянного перепада давления
  • Δp-v для переменного перепада давления
  • PID-Control
  • Ручной режим управления (n — постоянный)

 

Панель управления

  • Зеленая кнопка и дисплей

 

Ручное управление

  • Настройка значения напора
  • Настройка частоты вращения (ручное переключение)
  • Настройка режимов работы
  • Настройка ВКЛ./ВЫКЛ. насоса
  • Конфигурация все рабочих параметров
  • Квитирование ошибок

 

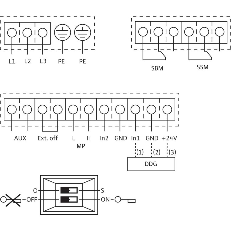
Внешнее управление

  • Управляющий вход «Выкл. по приоритету»
  • Управляющий вход «Внешняя смена насосов» (действует только в режиме работы сдвоенных насосов)
  • Аналоговый вход 0 – 10 В, 0 – 20 мА для ручного режима управления (DDC) и дистанционного изменения заданного значения
  • Аналоговый вход 2 – 10 В, 4 – 20 мА для ручного режима управления (DDC) и дистанционного изменения заданного значения
  • Аналоговый вход 0-10 В для сигнала фактического значения датчика давления
  • Аналоговый вход 2-10 В, 0-20 мА, 4-20 мА для сигнала фактического значения датчика давления

 

Сигнализация и индикация

  • Обобщенная сигнализация неисправности SSM
  • Обобщенная сигнализация рабочего состояния SBM

 

Обмен данными

  • Инфракрасный интерфейс для беспроводного обмена данными с IR-монитором/IR-модулем
  • Гнездо для Wilo IF-модулей (Modbus, BACnet, CAN, PLR, LON) для подсоединения к автоматизированной системе управления зданием

 

Функции защиты

  • Полная защита электродвигателя со встроенной электронной системой отключения
  • Блокировка доступа

 

Система управления сдвоенными насосами (2 одинарных насоса)

  • Режим работы «основной/резервный» (автоматическое переключение при неисправности)
  • Основной/резервный режим работы, смена насосов через 24 часа
  • Режим параллельной работы двух насосов
  • Режим совместной работы двух насосов (включение второго насоса при пиковой нагрузке с оптимизацией по КПД)

Комплект поставки

  • Насос
  • Инструкция по монтажу и эксплуатации

Расшифровка наименования

Пример

Wilo-Stratos GIGA 40/1-51/4,5

Stratos

Высокоэффективный насос

GIGA

Одинарный насос

40

Номинальный диаметр фланца DN

1-51

Номинальный напор в [м]

4,5

Ориентировочная номинальная мощность электродвигателя P2 в кВт

-R1

Исполнение без дифференциального датчика давления

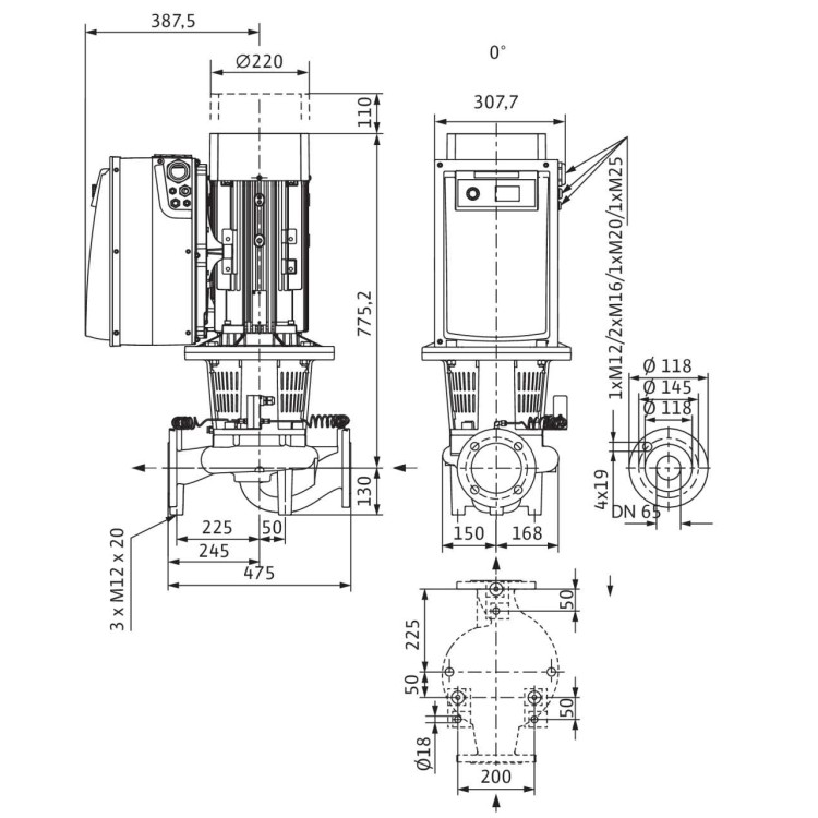
Технические характеристики

  • Индекс минимальной эффективности (MEI) ≥ 0,7
  • Диапазон температур перекачиваемой жидкости: от -20 °C до +140 °C
  • Подсоединение к сети 3~480 В ±10 %, 50/60 Гц, 3~440 В ±10 %, 50/60 Гц, 3~400 В ±10 %, 50/60 Гц, 3~380 В -5 % +10 %, 50/60 Гц
  • Класс защиты IP55
  • Номинальный диаметр от DN 40 до DN 100
  • Макс. рабочее давление 16 бар

Материалы

  • Корпус насоса и фонарь: EN-GJL-250
  • Рабочее колесо: PPS-GF40 или EN-GJL-200 в зависимости от типа
  • Вал: 1.4122
  • Скользящее торцевое уплотнение: AQEGG; другие скользящие торцовые уплотнения по запросу
  • Информация о размещении заказа
  • Артикульный номер
    • 2191963
  • Изделие
    • Wilo
  • Масса нетто прибл. кг
    • 159 kg
  • Обозначение изделия
    • Stratos GIGA 65/3-49/15-R1
  • Данные для заказа
  • Вид упаковки
    • Пакет
  • Высота без упаковки. мм
    • 618 mm
  • Изделие
    • Wilo
  • Количество на один слой
    • 1
  • Количество на палету
    • 1
  • Масса брутто прибл. кг
    • 184.0 kg
  • Масса нетто прибл. кг
    • 159 kg
  • Обозначение изделия
    • Stratos GIGA 65/3-49/15-R1
  • Общая длина, мм
    • 905.0 mm
  • Свойства упаковки
    • Транспортная упаковка
  • Цвет
    • зеленый/серебряный
  • Ширина без упаковки. мм
    • 395.0 mm
  • Допустимые жидкости (другие жидкости по запросу)
  • Вода систем отопления (согласно VDI 2035)
    • да
  • Водогликолевые смеси (при 20 – 40 об. % гликоля и температуре перекачиваемой жидкости ≤ 40 °C)
    • да
  • Масляный теплоноситель
    • Специальное исполнение за дополнительную плату
  • Охлаждающая/холодная вода
    • да
  • Данные электродвигателя
  • Защита электродвигателя
    • интегрировано
  • Класс защиты мотора
    • IP55
  • Класс нагревостойкости изоляции
    • F
  • Класс эффективности электродвигателя
    • IE5
  • Номинальная мощность Р2, Вт
    • 15000.0 W
  • Номинальная мощность электродвигателя, кВт
    • 15.00 kW
  • Номинальная частота вращения n, об/мин
    • 2900 rpm
  • Номинальный ток, А
    • 25.30 A
  • Подключение к сети, В/Гц
    • 3~400 V, 50 Hz
  • Помехозащищенность
    • EN 61800-3
  • Создаваемые помехи
    • EN 61800-3
  • Частота вращения макс. nmax
    • 2900 rpm
  • Гидравлические характеристики
  • Индекс минимальной эффективности (MEI)
    • 0.4
  • Максимальное рабочее давление p
    • 16 bar
  • Эксплуатационные параметры
  • Индекс минимальной эффективности (MEI)
    • 0.4
  • Макс. температура перекачиваемой жидкости, °C
    • 140 °C
  • Максимальное рабочее давление PN, бар
    • 16 bar
  • Мин. температура перекачиваемой жидкости, °C
    • -20 °C
  • Перекачиваемая жидкость
    • Water
  • Установочные размеры
  • Монтажная длина, мм
    • 475 mm
  • Присоединение к трубопроводу на стороне всасывания RPS
    • DN 65
  • Присоединение к трубопроводу с напорной стороны RPD
    • DN 65
  • Материалы
  • Вал
    • 1.4122, X39CrMo17-1
  • Уплотнение вала
    • AQ1EGG
  • Рабочее колесо
    • 5.1300, EN-GJL-200
  • Допустимая область применения
  • Макс. температура окружающей среды, °C
    • 40 °C
  • Мин. температура окружающей среды, °C
    • 0 °C
  • Данные для заказа
  • Номер EAN
    • 4048482819952

Будь в курсе последних предложений

Подпишись и получай информацию об акциях и скидках

Узнайте о ценах для партнеров

Специальные цены для наших партнеров и оптовиков