Обратный
звонок
Время работы:
пн - пт: 09:00 — 20:00 |
сб - вс: 09:00 — 18:00
0
Сравнение
0
КАТАЛОГ ТОВАРОВ

Автоматические насосные станции

Горизонтальные центробежные насосы

Вертикальные центробежные насосы

Установки повышения давления и пожаротушения

0 Сумма:

Блочный насос Wilo BL-E100/200-5,5/4

  • Артикул: 2191392
  • Модель: BL-E100/200-5,5/4
  • Производитель: Wilo
  • Наличие: Под заказ
1 199 364

Одноступенчатый центробежный насос с сухим ротором блочного типа для установки на фундаменте со встроенным частотным преобразователем для электронного регулирования в т. ч. постоянного или изменяемого перепада давления (Δp-c/ Δp-v). Устройство CronoBloc-BL-E предназначено для перекачивания воды систем отопления (согласно VDI 2035), холодной воды и водогликолевых смесей без абразивных веществ в системах отопления, кондиционирования и охлаждения.

 

Конструкция

  • Одноступенчатый низконапорный центробежный насос
  • Спиральный корпус блочного типа с размерами фланцев и корпуса согласно DIN EN 733, а также фланцами PN 16 согласно EN 1092-2
  • Блочная конструкция с низким уровнем шума и вибрации, соединительным элементом и неподвижно присоединенным унифицированным (стандартным) электродвигателем
  • Корпус насоса и соединительный элемент в серийном исполнении с катафоретическим покрытием
  • Привинченный опорный цоколь при мощности электродвигателя до 4 кВт, привинченные ножки при мощности электродвигателя от 5,5 кВт
  • Сильфонное скользящее торцовое уплотнение, независимое от направления вращения, с принудительной промывкой и рабочее колесо, снижающее кавитацию
  • Скользящее торцовое уплотнение для перекачивания воды температурой до 140 °C. Допустимо применение гликолевой примеси температурой макс. +40 °C с объемной долей от 20 до 40 %

 

Серийное оснащение

Экран насоса для индикации следующих параметров:

  • Способ регулирования Δp-c (постоянный перепад давления), Δp-v (переменный перепад давления), ПИД-регулятор, n-постоянный (ручной режим управления)
  • заданное значение (напр., перепад давления или частота вращения);
  • сообщения об ошибках и предупреждения;
  • текущие значения (напр., потребляемая мощность, текущее значение датчика);
  • эксплуатационные данные (напр., количество часов работы, расход энергии);
  • данные о состоянии (например, состояние реле SSM и SBM);
  • данные об устройстве (напр., название насоса);
  • Режим работы (только для разветвленных трубопроводов: основной/резервный режим работы, режим совместной работы двух насосов)

 

Однокнопочная панель управления для следующих функций:

  • Насос Вкл./Выкл.
  • Установка заданного значения или числа оборотов
  • Выбор режима работы и способа регулирования
  • конфигурация рабочих параметров;
  • Квитирование ошибок

 

Дополнительные функции

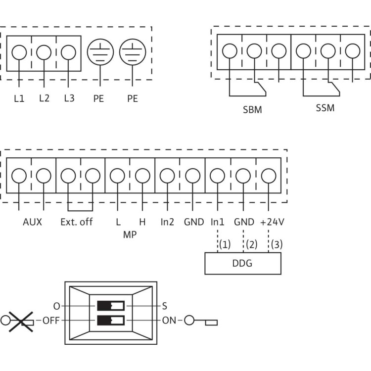
  • Интерфейсы: управляющий вход «Выкл. по приоритету», аналоговый вход 0–10 В, 2–10 В, 0–20 мА, 4–20 мА для ​режима управления (DDC) или дистанционного регулирования заданных значений, инфракрасный интерфейс для беспроводной связи с устройством управления и сервисного обслуживания – IR-монитором/IR-картой памяти Wilo, разъем для IF-модуля Wilo для связи с автоматизированной системой управления зданием, настраиваемая беспотенциальная система оповещения о неисправностях, эксплуатации и готовности
  • Трехфазный электродвигатель с частотным преобразователем
  • Встроенная система управления сдвоенными насосами
  • Встроенная полная защита электродвигателя (термодатчик) с электронной системой отключения
  • В серийном исполнении отверстия в корпусе электродвигателя для слива конденсата (при поставке отверстия закрыты)
  • различные режимы работы для систем отопления (HV) или кондиционирования (AC);
  • Блокировка доступа к насосу
  • различные панели управления: стандартная/обслуживание

 

Принадлежности

  • Опорные блоки для крепления на фундаменте
  • IR-монитор;
  • IR-модуль;
  • IF-модуль PLR
  • IF-модуль LON
  • IF-модуль Modbus
  • IF-модуль BACnet;
  • IF-модуль CAN
  • Системы регулирования VR-HVAC/CCe-HVAC/SCe-HVAC
  • Комплекты дифференциальных датчиков давления (DDG) 0-10 В для насосов в исполнении ...–R1

Ваши преимущества

  • Экономия энергии за счет встроенной электронной системы регулировки мощности
  • Опциональные интерфейсы для обмена данными по шине посредством штекерных IF-модулей
  • Простое управление благодаря проверенной технологии зеленой кнопки и дисплею
  • Встроенная полная защита электродвигателя (термодатчик) с электронной системой отключения
  • Удобен в пользовании благодаря параметрам мощности и основным размерам согласно EN 733 (для стандартных насосов)

Тип

Энергоэффективный одноступенчатый центробежный насос в блочном исполнении с электронным автоматическим регулированием частоты вращения, торцовым уплотнением, фланцевым подсоединением.

Применение

Перекачивание воды систем отопления (согласно VDI 2035), холодной воды и водогликолевой смеси без абразивных веществ в системах отопления, кондиционирования и охлаждения.

Оснащение/функция

Режимы работы

  • Δp-c для постоянного перепада давления
  • Δp-v для переменного перепада давления
  • PID-Control
  • Ручной режим управления (n — постоянный)

 

Панель управления

  • Зеленая кнопка и дисплей

 

Ручное управление

  • Настройка значения напора
  • Настройка частоты вращения (ручное переключение)
  • Настройка режимов работы
  • Настройка ВКЛ./ВЫКЛ. насоса
  • Конфигурация все рабочих параметров
  • Квитирование ошибок

 

Внешнее управление

  • Управляющий вход «Выкл. по приоритету»
  • Аналоговый вход 0 – 10 В, 0 – 20 мА для ручного режима управления (DDC) и дистанционного изменения заданного значения
  • Аналоговый вход 2 – 10 В, 4 – 20 мА для ручного режима управления (DDC) и дистанционного изменения заданного значения
  • Аналоговый вход 0-10 В для сигнала фактического значения датчика давления
  • Аналоговый вход 2-10 В, 0-20 мА, 4-20 мА для сигнала фактического значения датчика давления

 

Сигнализация и индикация

  • Обобщенная сигнализация неисправности SSM
  • Обобщенная сигнализация рабочего состояния SBM

 

Обмен данными

  • Инфракрасный интерфейс для беспроводного обмена данными с IR-монитором/IR-модулем
  • Гнездо для Wilo IF-модулей (Modbus, BACnet, CAN, PLR, LON) для подсоединения к автоматизированной системе управления зданием

 

Функции защиты

  • Полная защита электродвигателя со встроенной электронной системой отключения
  • Блокировка доступа

 

Система управления сдвоенными насосами (2 одинарных насоса; применение только с разветвленными трубопроводами)

  • Режим работы «основной/резервный» (автоматическое переключение при неисправности)
  • Основной/резервный режим работы, смена насосов через 24 часа
  • Режим параллельной работы двух насосов

Комплект поставки

  • Насос
  • Инструкция по монтажу и эксплуатации

Расшифровка наименования

Пример

BL-E 40/160-5,5/2-R1

BL-E

Блочный насос с электронным регулированием

40

Номинальный диаметр DN подсоединения к трубопроводу (напорный патрубок)

160

Номинальный диаметр рабочего колеса в мм

5,5

Номинальная мощность электродвигателя Р2, кВт

2

Число полюсов

-R1

Исполнение без дифференциального датчика давления

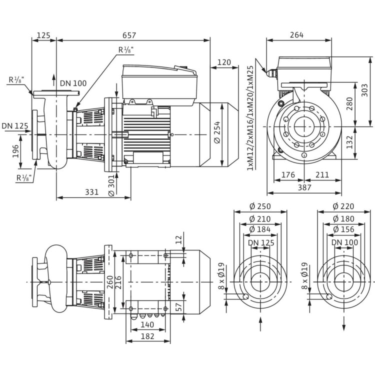
Технические характеристики

  • Допустимый диапазон температур перекачиваемой жидкости от -20° C до +140° C
  • Подключение к сети
    • 3~440 В -5/±10 %, 50/60 Гц
    • 3~400 В ±10 %, 50/60 Гц
    • 3~380 В -5/±10 %, 50/60 Гц
  • Класс защиты IP55
  • Номинальный диаметр от DN 32 до DN 125
  • Макс. рабочее давление 16 бар (120 °C)

Материалы

  • Корпус насоса и фонарь: Стандартное исполнение: EN-GJL-250; опционально: Чугун с шаровидным графитом EN-GJS-400-18-LT
  • Рабочее колесо: Стандартное исполнение: EN-GJL-200; опционально: Бронза CuSn 10
  • Вал: 1.4122
  • Торцевое уплотнение: AQEGG, другие торцевые уплотнения по запросу

Описание/конструкция

Одноступенчатый низконапорный центробежный насос в блочном исполнении с аксиальным всасывающим патрубком и радиально расположенным напорным патрубком со следующими элементами:

  • Торцевое уплотнение
  • Фланцевое соединение со штуцером для замера давления R 1/8
  • Фонарь
  • Муфта
  • Привод со встроенной электронной системой регулирования частоты вращения
  • Данные продукта
  • Количество на один слой
    • 1
  • Количество на палету
    • 1
  • Максимальная температура окружающей среды, °C
    • 40 °C
  • Максимальное рабочее давление p
    • 16 bar
  • Максимальное рабочее давление PN, бар
    • 16 bar
  • Минимальная температура перекачиваемой жидкости, °С
    • -20 °C
  • Обозначение изделия
    • CronoBloc-BL-E 100/200-5,5/4
  • Свойства упаковки
    • Транспортная упаковка
  • Цвет
    • Зеленый
    • зеленый
  • Вид упаковки
    • Европоддон
  • Изделие
    • Wilo
  • Максимальная температура перекачиваемой жидкости, °С
    • 140 °C
  • Минимальная температура окружающей среды, °C
    • 0 °C
  • Данные двигателя
  • Номинальная мощность P2, Вт
    • 5500.0 W
  • Номинальная мощность электродвигателя, кВт
    • 5.50 kW
  • Номинальный ток, А
    • 10.20 A
  • Частота вращения макс. nmax, об/мин
    • 1450 rpm
  • Защита электродвигателя
    • интегрировано
  • Индекс минимальной эффективности (MEI)
    • 0.4
  • Класс защиты
    • IP55
  • Класс изоляции
    • F
  • Класс эффективности двигателя
    • IE4
  • Номинальная частота вращения n, об/мин
    • 1450 rpm
  • Подключение к сети, В/Гц
    • 3~440 V, 50 Hz
  • Помехозащищенность
    • EN 61800-3
  • Создаваемые помехи
    • EN 61800-3
  • Габариты и вес
  • Общая длина, мм
    • 781.6 mm
  • Ширина без упаковки, мм
    • 387.0 mm
  • Вес нетто, кг
    • 150 kg
  • Высота без упаковки, мм
    • 499 mm
  • Допустимые перекачиваемые жидкости
  • Перекачиваемая жидкость
    • Water
  • Подключение
  • Присоединение к трубопроводу на стороне всасывания RPS
    • DN 125
  • Присоединение к трубопроводу с напорной стороны RPD
    • DN 100
  • Материалы
  • Вал
    • 1.4122, X39CrMo17-1
  • Уплотнение вала
    • AQ1EGG
  • Фонарь
    • 5.1301, EN-GJL-250
  • Рабочее колесо
    • 5.1300, EN-GJL-200

Будь в курсе последних предложений

Подпишись и получай информацию об акциях и скидках

Узнайте о ценах для партнеров

Специальные цены для наших партнеров и оптовиков